Zhejiang HaiTan automation equipment co., LTD
The Contact:Mr Liu manager
Tel:0577-62753651
13968799651
E-Mail:718197834@qqcom
Addr:Wenzhou sand lakes industrial zone
The sales department (2):liu town area road 82 (changhong road no. 71)
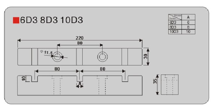
The Present Position:Home >> Products
>> 6D3 8D3 10D3